H23/6/18
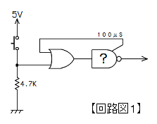
NANDAゲートを使用したチャッタリング防止機構付きトリガ発生回路
 第1パルスから一定時間(100μS)以内のチャッタは無視されることになる。

←戻る

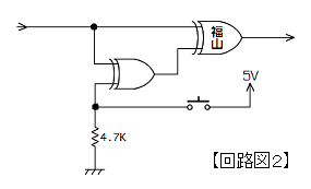
福山XORによる自爆回路例
 自爆スイッチを押すと福山XORの入力が相異なり、次段の回路にDCコンバートされた数百ボルトの電流が出力される。これにより、個人所有のコンピュータにも手軽に「禁断のボタン」が付加できるようになる。

←戻る

CONF.INVERTERを使用した自閉的不規則発振回路
 これが唯一破壊の心配のない回路でもある。この回路は不規則な発信を続けるため、ノイズ発生回路として利用できる。

←戻る

マージンゲートロジック
 通常の論理回路との電気的非互換性を実現するために使用される。F.F.に付いている抵抗は、ハイレベルのノイズマージン電圧(約2.4V)を実現するためのものである。なお、このとき使用する抵抗は金属皮膜で誤差±1%未満のものに限られる。

←戻る

PHANTOM BUFFERの個性派コンピュータ設計への応用
 このようにCPUの割り込み端子に接続することにより、コンピュータがオペレータの意図に忠実に従わなくなる。個体差も激しいのでかなり楽しい。

←戻る

出力ホイホイ使用例
 特に説明は要らないであろう。

←戻る

OP NANDを利用したTTL→C-MOSインタフェース回路
 ご覧のように利得3倍の反転増幅回路を構築している。これにより動作電圧5VのTTLロジックから-15VのC-MOSロジックへのインタフェースが実現できる。

←戻る

大電流ANDによる直流モーターのダイレクト駆動回路例
 通常の直流モーターならば保護回路なしで直接駆動できる。回線のバッファに使用すればケーブルにもよるが数kmは誤動作の心配はない。

←戻る